Störungen der Tankanzeige

Aus /8-KnowHow
Zur Navigation springenZur Suche springen

1) Allgemeines

Die Tankanzeige ist in sämtlichen Serien der W114 und W115 identisch. Die Volumensanzeige erfolgt über ein Drehspulinstrument im Kombiinstrument – und eine gelb/orange Reserve-Warnleuchte, ebenfalls im Kombiinstrument.

Angesteuert werden beide Funktionen durch den Tankgeber. Dieser sitzt in etwa mittig in der Oberseite des Tanks und ist vom Boden des Kofferraums aus zugänglich.

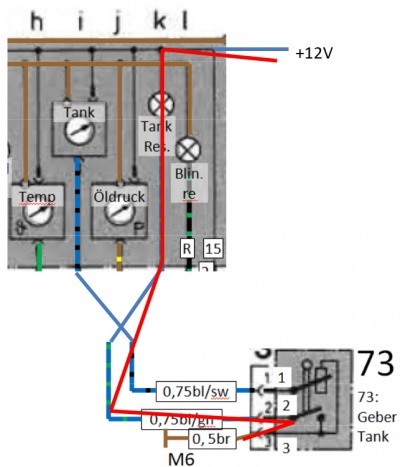
Details zu der Schaltung siehe Bild:


Bei der Volumensanzeige gibt es im Wesentlichen drei Fehlermodalitäten:

  • Tankanzeige steht auf Leer (ohne dass die Reserveanzeige angekommen ist)
  • Tankanzeige springt/wackelt
  • Tankanzeige steht auf Voll – unabhängig von der Tankfüllung


2) Fehlerquellen zu „Tankanzeige steht auf Leer“

  • Sicherung 5 defekt. Tipp: Da die Warnleuchte für die Bremsen ebenfalls über die Nr. 5 abgesichert ist, Zündung ein und Feststellbremse treten. Wenn die Warnleuchte dunkel bleibt kann man von defekter Sicherung 5 ausgehen.
  • Anzeigeinstrument kaputt (eher unwahrscheinlich)
  • Kein Kontakt vom Kombiinstrumenten-Pin zum Instrument (Platine z. B.)
  • Kabelbruch / Kontaktprobleme vom Tankgeber zum Instrument
  • Steckverbindung(en) haben Unterbrechung
  • Tankgeber selbst kaputt.

Man sollte zunächst das Anzeigeinstrument prüfen. Stecker vom Tankgeber abziehen und bei eingeschalteter Zündung ein Potentiometer (0...100 Ohm) zwischen Pin 1 (G) und Pin 3 (Masse) anschließen. Poti-Stellung variieren; wenn sich dann das Instrument bewegt, ist schon mal das Kombiinstrument und die Verkabelung ok.
Wenn es das nicht tut, muss das Kombiinstrument raus. Den Kombistecker abziehen und man muss 12 V auf den Pin geben, zu dem sonst die Stromversorgung von Sicherung 5 kommt. Dann das Potentiometer mit den entsprechenden Pins am Kombiinstrument verbinden. Pinbelegung siehe hier: PIN-Belegung des Kombiinstruments

Wenn's dann immer noch nicht tut, ist die Anzeige selbst defekt oder das Kombiinstrument hat Probleme: Kontakte prüfen, Leiterplatten unterbrochen... Falls es dann funktioniert, liegt das Problem auf der Leitung zwischen Tankgeber und Kombiinstrument.

Erst danach würde man den Tankgeber prüfen. Ohm-Meter an die o. g. Pins halten und checken, ob sich der Widerstand ändert, wenn man den ausgebauten Geber schwenkt. Der Tankgeber ist schlicht ein Widerstand, der je nach Tankfüllung zwischen ca. 6 Ohm (voller Tank) und ca. 70 Ohm (leerer Tank) schwankt.


3) Fehlerquellen zu "Tankanzeige springt/wackelt"

  • Sicherung 5 Wackelkontakt.
  • Anzeigeinstrument kaputt (eher unwahrscheinlich)
  • Wackelkontakt vom Kombiinstrumenten-Pin zum Instrument (Platine z. B.)
  • Kabelbruch / Kontaktprobleme vom Tankgeber zum Instrument
  • Steckverbindung(en) haben Unterbrechung
  • Tankgeber selbst kaputt

Im Grunde ist hier die vorgenannte Fehlersuche angezeigt, wobei vordergründig der Tankgeber unter Verdacht steht. Deshalb empfiehlt es sich, diesen als Erstes zu checken. Zur Reparatur des Tankgebers gibt es einen /8-KnowHow Beitrag unter Zerlegen und Reinigen des Tankgebers


4) Fehlerquellen zu "Tankanzeige steht auf Voll"

  • Ein Kurzschluss gegen Masse entlang der Leitung vom Kombiinstrument zum Pin 1 (G) des Tankgebers
  • Der Tankgeber klemmt mechanisch in der „Voll“ Position

Zur Fehlereinkreisung zuerst den Stecker vom Tankgeber abziehen. Wenn das Anzeigeinstrument dann auf „Leer“ fällt liegt es am Tankgeber.

Wenn nicht, beginnt eine mühselige Suche nach dem Kurzschluss entlang der Leitung vom Kombiinstrument zum Pin 1 (G) des Tankgebers

Noch ein Hinweis vom Forumskollegen "Trimolo":

Wenn die Tankanzeige hartnäckig auf Voll steht (jedenfalls bei eingeschalteter Zündung und angeschlossenem Tankgeber), obwohl alle anderen Checks in Ordnung waren, kann es sein, dass hinter dem Instrument eine Mutter auf einer Schraube fehlt.

Siehe Bild:


Durch die Mutter wird das Instrument auf der anderen Seite gegen eine geduckte Platine gezogen, auf der sich die benötigte Masseleitung befindet.

Siehe Bild:


5) Fehlerquellen bei nicht leuchtender Reserveanzeige

Die Lampe der Reserveanzeige wird bei Tankinhalt unter ca. 10 Liter über einen Kontakt im Tankgeber geschaltet, wenn der Schwimmer unten ist, Pin 3 (W). Der Schwimmer muss sich also bewegen können und beide Kontakte (Schwimmer und der Reservekontakt im Schwimmer) müssen blank sein. Hier noch ein Prinzipschaltbild (vom Kollegen T-Modell):


Die Fehlereinkreisung: Die rote Linie zeigt den Stromfluss für die Reservelampe an. Also von 12 V über den Schaltkontakt im Geber auf Masse. Wenn die Lampe bei eingeschalteter Zündung (trotz gefülltem Tank) dauernd leuchtet, liegt irgendwo davor ein Masseschluss.

Als Erstes die Sicherung 5 kontrollieren. Tipp: Da die Warnleuchte für die Bremsen ebenfalls über die Nr. 5 abgesichert ist, Zündung ein und Feststellbremse treten. Wenn die Bremsen-Warnleuchte dunkel bleibt, kann man von defekter Sicherung ausgehen.

Wenn die Sicherung 5 ok ist, am Tankgeber an dessen abgezogenen Stecker (bei eingeschalteter Zündung) Pin 2 (W) und Pin 3 (Masse) kurzschließen und schauen, ob die Reserveleuchte aufleuchtet.

Wenn das nicht der Fall ist: den Tankgeber prüfen. Ohm-Meter an die Pins 2 (W) und 3 (Masse) des Gebers halten und checken, ob sich der Widerstand ändert, wenn man den ausgebauten Geber schwenkt und ob Durchgang (Null Ohm) besteht, wenn der Tankgeber senkrecht steht (Schwimmer unten).


Dieser Beitrag wurde aus dem Verlauf dieses Threads auf Basis der Tipps der /8-Forumskollegen T-Modell, La.R. und Birgit Kraft zusammengestellt.




Erstellt von: Helmut 230.6 08:43, 4. Jun. 2020 (UTC), Ergänzt 25. Apr. 2024